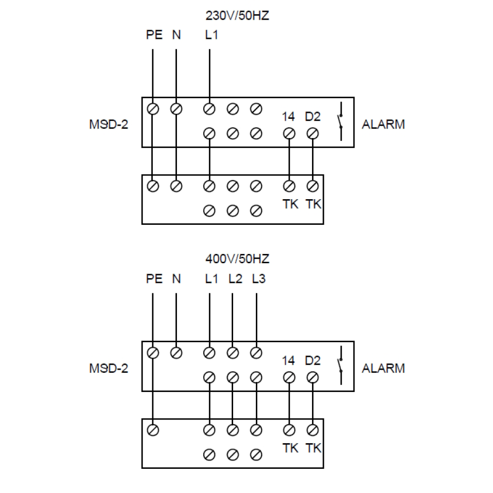
- spínacie zariadenie na zapínanie a vypínanie jednofázových a trojfázových ventilátorov so spínačom ON/OFF
- ochrana motora v spojení s motormi vybavenými termokontaktom, ktorý musí byť pripojený k spúšťaču
- manuálny reset po aktivácii ochrany, v prípade výpadku fázy nie je možné reštartovať, opätovné spustenie je možné až po vychladnutí motora
- pomocný kontakt na hlásenie poruchy
- 3-fázové napätie 400 V/50, 60 Hz alebo 1-fázové 230 V/50 Hz
- prúd 25 A
- montáž na sadrokartón alebo DIN lištu
- krytie IP65
- rozmery 92 x 112 x 122 mm (š x h x v)
- v kombinácii s ochranou motora UR 5 R 1021 v spojení s motormi vybavenými termokontaktom alebo PTC, ktoré musia byť pripojené k spúšťaču
Dodržaním pokynov v návode by nemalo vzniknúť žiadne riziko týkajúce sa bezpečnosti, zdravia a životného prostredia v súlade so smernicami ES (s označením CE). To isté platí pre ostatné výrobky použité v zariadení alebo pri inštalácii. Nasledujúce všeobecné informácie považujte za dôležité:
• dodržujte bezpečnostné pokyny, aby nedošlo ku škodám na zariadení či k zraneniu osôb
• technické informácie uvedené v tomto návode nesmú byť menené
• je zakázané zasahovať do motora zariadenia
• aby zariadenie vyhovovalo smerniciam ES, musí byť zariadenie pripojené k elektrickej sieti v súlade s platnými predpismi
• zariadenie musí byť nainštalované takým spôsobom, aby za bežných prevádzkových podmienok nemohlo dôjsť ku kontaktu s akoukoľvek pohyblivou časťou a/alebo časťou pod napätím
• zariadenie vyhovuje platným predpisom pre prevádzku elektrických zariadení
• pred akýmkoľvek zásahom do zariadenia je nutné ho vždy odpojiť od napájania
• pri manipulácii či údržbe zariadenia je nutné používať vhodné nástroje
• zariadenie musí byť používané iba na účely, na ktoré je určené
• tento spotrebič nesmú používať deti mladšie ako 8 rokov a osoby so zníženými fyzickými, zmyslovými či mentálnymi schopnosťami alebo osoby s nedostatkom skúseností a znalostí, pokiaľ nie sú pod dozorom zodpovednej osoby alebo pokiaľ neboli dostatočne poučené o bezpečnom používaní zariadenia a u ktorých nemôže dôjsť k pochopeniu rizík s tým spojených.
• užívateľ musí zabezpečiť, aby sa so zariadením nehrali deti
• čistenie a údržbu zariadenia nesmú vykonávať deti bez dozoru


Zdieľať na Facebooku
Tweet
Odoslať e-mail